This website works better with JavaScript.
Explore
Help
Sign In
dengzhihao
/
CMSIS-DSP
Watch
0
Star
0
Fork
You've already forked CMSIS-DSP
0
Code
Issues
Pull Requests
Packages
Projects
Releases
Wiki
Activity
You cannot select more than 25 topics
Topics must start with a letter or number, can include dashes ('-') and can be up to 35 characters long.
aa067e399e
hotfix
gh-pages
main
v1.14.4
v1.14.3
v1.14.2
v1.14.1
v1.14.0
v1.13.0
v1.12.0
v1.11.0
v1.10.1
Branches
Tags
${ item.name }
Create tag
${ searchTerm }
Create branch
${ searchTerm }
from 'aa067e399e'
${ noResults }
CMSIS-DSP
/
v1.10.1
/
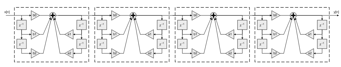
BiquadCascade.gif
19 KiB
Raw
History